
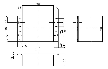
尺寸代码:F型
型 号 WQ90F WQ(2)90F 单轴 双轴。
安装形式多样。防护等级好。
|
工作电压
|
DC8~28V(特殊可达40V)
|
机械转角
|
360°连续可转
|
|
线性量程
|
±30°、±45°、0~90°(或±90°以内可选)
|
||
|
输出信号
|
0~5V 、1~5V、±5V、4~20mA【二线制/三线制】或其它要求的模拟电信号
|
||
|
分 辨 率
|
≤±0.01°(理论上连续)
|
回零重复
|
≤±0.05°
|
|
测量方向
|
WQ90单轴; WQ(2)90双轴
|
温度系数
|
≤0.01%FS/℃
|
|
使用温度
|
-25℃~80℃(特殊-40℃~110℃)
|
保护设计
|
短路保护、极性保护、瞬间高压保护
|
|
储存温度
|
-30℃~90℃(特殊-45℃~120℃)
|
防护等级
|
IP65/IP66/IP67
|
|
出线形式
|
航插、导线
|
出线方向
|
上、下、左、右、前
|
|
安装方式
|
横式,竖式,立式
|
||
|
外壳材料
|
铝合金、不锈钢
|
机械尺寸
|
F、R、RT、G、P等
|


材质:铝合金 安装孔径:Ф7.4 mm
颜色:黑色 孔中心距:45 mm
应 用:工业场合,水平姿态角的测控和平面定位。
关键词: 倾角传感器 双轴倾角传感器 水平姿态角 平面定位 工程应用 自动化 替代进口产品 tcsensor GUC360 WQ90F WQ90R
