
WQ90P单轴/WQ(2)90P双轴是采用国际先进的高性能磁敏感技术制作的标准型倾角传感器。它可以无触点的测量(单/双轴)倾斜角度和水平姿态,经过处理输出标准电信号。
特点:单轴、双轴测量;进口防水塑料外壳,出线方式多样,可选;抗震性好,防水;有短路保护和极性保护。属民品级产品。
性能参数
|
工作电压
|
DC12V、DC24V、DC8~28V(可选)
|
机械转角
|
360°连续可转
|
|
线性量程
|
±30°、±45°、0~90°(或±90°以内可选)
|
||
|
输出信号
|
0~5V 、1~5V、±5V、4~20mA【二线制/三线制】或其它要求的模拟电信号
|
||
|
分 辨 率
|
≤±0.01°(理论上连续)
|
回零重复
|
≤±0.05°
|
|
测量方向
|
WQ90P单轴/WQ(2)90P双轴(可选)
|
温度系数
|
≤0.01%FS/℃
|
|
使用温度
|
-25℃~70℃(特殊-40℃~110℃)
|
保护设计
|
短路保护、极性保护
|
|
储存温度
|
-30℃~85℃(特殊-45℃~120℃)
|
防护等级
|
IP64
|
|
出线形式
|
航插、导线(或端子可选)
|
出线方向
|
上、下、左、右、前(可选)
|
|
外壳材料
|
进口防水塑料
|
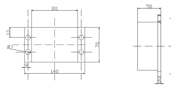
机械尺寸
|
140×70×50 mm
|


属民品级产品。用于一般场合的水平姿态角度的测控和平面定位。
